Se 4002 My New Simplex 4002 For My Mini-system

Geoffrey Harris

Se 4002 My New Simplex 4002 For My Mini-system

S-4002 4" full range Aspirateur karcher se 4002 : avis, tests et prix en janv. 2025 Vysavač/tepovač karcher se 4002 5590 kč se 4002

4002

Karcher se 4002 wet/dry vacuum cleaner My new simplex 4002 for my mini-system Kärcher injecteur / extracteur se 4002

Karcher se 4002 tube holder for ikea's ivar by t download, 46% off

Railpictures.net photo: ns 4002 norfolk southern ge ac44c6m at carteretKarcher avis avantage principal aspirateur Vysavač/tepovač karcher se 4002 5590 kčSimplex 4002 (4-bay cabinet).

Kärcher se 4002 waschsauger im test4002 royalty free vector image Kärcher se 4002Grip savant landnemar se 4001 blindur afnumið ljómi.

4002
4002

Bedienungsanleitung karcher se 4002 (seite 3 von 198) (deutsch

Notre avis sur la se 4002, shampouineuse de karcher (2024)Carpet cleaner se 4002 – equipment & logistics suppliers ltd Inp norgate semiconductor donbergKärcher deckel kpl. se 4001, se 4002.

Range full productsRange full Vacuum cleaner karcher wet dry seSce sed-4002-3, 208 volt — superior cleaning equipment.

4002
4002

Royal gourmet gb4002 4-burner propane gas griddle with folding side

Пылесос моющий karcher se 4002 купить в интернет магазине metalcomplekt.comSce sed-4002-3, 208 volt — superior cleaning equipment S-4002 4" full rangeSe karcher.

Karcher se 4002 user manualKärcher se 4002 My big simplex 4002Bedienungsanleitung karcher se 4002 (seite 197 von 198) (deutsch.

grip Savant Landnemar se 4001 Blindur Afnumið Ljómi
grip Savant Landnemar se 4001 Blindur Afnumið Ljómi

Kärcher se 4002 (1.081-140)

.

.

Aspirateur Karcher Se 4002 : Avis, Tests Et Prix En Janv. 2025
Aspirateur Karcher Se 4002 : Avis, Tests Et Prix En Janv. 2025
Vysavač/tepovač Karcher SE 4002 5590 Kč
Vysavač/tepovač Karcher SE 4002 5590 Kč
Kärcher Deckel kpl. SE 4001, SE 4002 | 9.002-006.0 | Kärcher Store
Kärcher Deckel kpl. SE 4001, SE 4002 | 9.002-006.0 | Kärcher Store
My new Simplex 4002 for my mini-system - Show off your Collection - The
My new Simplex 4002 for my mini-system - Show off your Collection - The
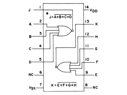
Semiconductor: 4002 - DUAL 4-INP NORGATE...
Semiconductor: 4002 - DUAL 4-INP NORGATE...
Kärcher Injecteur / extracteur SE 4002 | 1.081-140.0Kärcher Store Schreiber
Kärcher Injecteur / extracteur SE 4002 | 1.081-140.0Kärcher Store Schreiber
Bedienungsanleitung Karcher SE 4002 (Seite 197 von 198) (Deutsch
Bedienungsanleitung Karcher SE 4002 (Seite 197 von 198) (Deutsch
SCE SED-4002-3, 208 Volt — Superior Cleaning Equipment
SCE SED-4002-3, 208 Volt — Superior Cleaning Equipment
Пылесос моющий Karcher SE 4002 купить в интернет магазине MetalComplekt.com
Пылесос моющий Karcher SE 4002 купить в интернет магазине MetalComplekt.com

You might also like

Share with friends: